LETO AD 2 DATOS DEL AERÓDROMO
INDICADOR DE LUGAR Y NOMBRE DEL AERÓDROMO
LETO - MADRID/Torrejón
DATOS GEOGRÁFICOS Y ADMINISTRATIVOSDE ADMINISTRACIÓN DEL AERÓDROMO
ARP |
402948N 0032645W. Ver AD 2-LETO ADC. |
|
Distancia y dirección desde la ciudad |
24 km E. |
|
Elevación |
618 m / 2026 ft. |
|
Ondulación geoide |
51.39 m ± 0.05 m (1). |
|
Temperatura de referencia |
34°C. |
|
Temperatura baja media |
5ºC. |
|
Declinación magnética |
0º (2020). |
|
Cambio anual |
8.1'E |
|
Administración AD |
Ejército del Aire y del Espacio. |
|
Dirección |
Base Aérea de Torrejón; Ctra. Madrid-Barcelona km 22.800 |
|
TEL |
+34-916 274 710 |
|
FAX |
+34-916 274 617 |
|
AFTN |
LETO |
|
Tránsito autorizado |
IFR/VFR. |
|
Observaciones |
(1) Para todos los puntos del AD. |
HORAS DE FUNCIONAMIENTOHORARIO DE OPERACIÓN
DE OPERACIÓN
Aeropuerto |
H24 (1). |
|
Aduanas e Inmigración |
No. |
|
Servicios médicos y de sanidad |
No. |
|
AIS/ARO/OPV |
HR AD. |
|
Información MET |
HR AD. |
|
ATS |
HR AD. |
|
Abastecimiento de combustible |
HR AD. |
|
Asistencia en tierra |
HR AD. |
|
Seguridad |
HR AD. |
|
Deshielo |
No. |
|
Observaciones |
(1) Aeronaves de Estado extranjeras solicitarán PPR obligatorio con al menos 72 HR de antelación. No se aceptarán, como norma general, PPR desde: I: FRI: 1300 a MON: 0700.
|
SERVICIOS E INSTALACIONES PARA CARGA Y MANTENIMIENTO
Instalaciones para el manejo de carga |
SATA CAT I.
|
|
Tipos de combustible |
F-34. |
|
Tipo de lubricante |
O-113, O-133, O-142, O-147, O-148, O-156, O-158, O-190, O-226, O-228, O-237, O-238, O-1236. |
|
Capacidad de reabastecimiento |
cisternas 40000 L, 22.5 L/s. |
|
Instalaciones para el deshielo |
No. |
|
Espacio disponible en hangar |
No. |
|
Instalaciones para reparaciones |
No. |
|
Observaciones |
GPU: Unidad de CA (hasta 100 KVA) y CC (hasta 2500 A). |
INSTALACIONES Y SERVICIOS PARA LOS PASAJEROS
Hoteles |
Sí. |
|
Restaurante |
Sí. |
|
Transporte |
Autobuses y vehículos ligeros a petición. |
|
Instalaciones médicas |
No. |
|
Banco/Oficina Postal |
Sí/No. |
|
Información turística |
No. |
|
Observaciones |
Ninguna. |
SERVICIOS DE SALVAMENTO Y EXTINCIÓN DE INCENDIOS
Categoría de incendios |
8. |
|
Equipo de salvamento |
De acuerdo a la categoría de incendios publicada. |
|
Retirada de aeronaves inutilizadas |
Grúa autopropulsada para la elevación de cualquier aeronave de peso no superior a 30 TM. Cojines de baja presión hasta 13 TM. Gatos hidráulicos hasta 15 TM. |
|
Observaciones |
Ninguna. |
EVALUACIÓN Y NOTIFICACIÓN DEL ESTADO DE LA SUPERFICIE DE LA PISTA, Y PLAN PARA LA NIEVE
Equipo |
Máquinas barredoras de aspiración, grúa sobre camión. |
|
Prioridad |
Pistas, calles de rodaje y plataforma. |
|
Observaciones |
Ninguna. |
DATOS SOBRE PLATAFORMAS, CALLES DE RODAJE Y EMPLAZAMIENTOS/POSICIONES DE VERIFICACIÓN DE EQUIPODETALLES DEL ÁREA DE MOVIMIENTO
Plataforma |
Superficie: Hormigón. |
|
Calles de rodaje |
Anchura: |
|
Posiciones de comprobación |
Altímetro: PE 1: 596.96 m / 1958.51 ft. |
|
Observaciones |
Ninguna. |
SISTEMA DE GUÍA Y CONTROL DEL MOVIMIENTO EN LA SUPERFICIE Y SEÑALESSISTEMAS Y SEÑALES DE GUÍA DE RODAJE
Sistema de guía de rodaje |
Carteles en intersecciones RWY/TWY, carteles de línea de aparcamiento en lateral de TWY, puntos de espera en pista, barras de parada, línea de seguridad de plataforma y puestos de estacionamiento. |
|
Señalización de RWY |
Designadores, umbral, eje, borde, zona de toma de contacto, punto de visada, carteles indicadores de distancia remanente, faja lateral y área anterior al umbral. |
|
Señalización de TWY |
Eje y borde. |
|
Observaciones |
Ninguna. |
OBSTÁCULOS DE AERÓDROMO
En áreas de aproximación y despegue |
En el área de circuito y en el AD |
|||
|---|---|---|---|---|
Área RWY |
Obstáculo |
Coordenadas |
Obstáculo |
Coordenadas |
04 APCH / 22 TKOF |
Montículo |
8.9 km / 219° MAG FM THR 04 |
Montículo |
4.8 km / 022° MAG FM THR 22 |
Curva de nivel |
3.3 km / 226° MAG FM THR 04 |
Meseta |
5.7 km / 169° MAG FM THR 22 |
|
22 APCH/ 04 TKOF |
Montículo |
14 km / 036° MAG FM THR 22 |
Depósito agua |
2.4 km / 190° MAG FM THR 22 |
Montículo |
9.0 km / 039° MAG FM THR 22 |
Antenas radio |
2.1 km / 235° MAG FM THR 22 |
|
Curva de nivel |
1.7 km / 049° MAG FM THR 22 |
Antenas radar |
7.1 km / 257° MAG FM THR 22 |
|
Observaciones: Ver AD 2-LETO AOC. |
||||
INFORMACIÓN METEOROLÓGICA SUMINISTRADASERVICIO METEOROLÓGICO PRESTADO
Oficina MET |
Torrejón OMD. |
|
HR |
H24. |
|
METAR |
Semihorario. |
|
TAF |
24 HR. |
|
TREND |
Sí. |
|
Información |
En persona y telefónica. |
|
Documentación de vuelo / Idioma |
Lenguaje claro / Español. |
|
Cartas |
Mapas significativos, previstos en altitud (viento y temperatura), y de vientos máximos. |
|
Equipo suplementario |
Presentador de imágenes de nubes, rayos y de información radar. |
|
Dependencia ATS atendida |
TWR, APP, OPV. |
|
Información adicional |
Madrid OMAe (LEMC): H24
Torrejón OMD
|
|
Observaciones |
Ninguna. |
CARACTERISTICAS FÍSICAS DE LA PISTA
RWY |
Orientación |
DIM (m) |
THR PSN |
TDZ ELEV |
SWY (m) |
CWY (m) |
Franja (m) |
OFZ |
RESA (m) |
RWY/SWY SFC |
|
|---|---|---|---|---|---|---|---|---|---|---|---|
04 |
043.40º GEO |
3658 x 60 |
402905.18N |
THR: 599.5 m / 1967 ft |
85 x 60 |
No |
4338 x 150 |
No |
240 x 150 |
RWY: ASPH |
|
04D(1) |
043.40 GEO |
2752 x 60 |
402926.99N |
THR: 602 m / 1976 ft |
85 x 60 |
No |
4338 x 150 |
No |
240 x 150 |
RWY: ASPH |
|
22 |
223.40º GEO |
3658 x 60 |
403031.39N |
THR: 617.7 m / 2026 ft |
595 x 60 |
No |
4338 x 150 |
No |
240 x 150 |
RWY: ASPH |
|
Observaciones: (1) RWY 04D solo utilizable por aeronaves militares y que realicen el viraje dentro de 2.5 DME TJZ o antes de R-143 VTZ para el aterrizaje. |
|||||||||||
Perfil

DISTANCIAS DECLARADAS
RWY |
TORA (m) |
TODA (m) |
ASDA (m) |
LDA (m) |
|---|---|---|---|---|
04 |
3658 |
3658 |
3743 |
3658 |
04D (1) |
2752 |
2752 |
2837 |
2752 |
22 |
3658 |
3658 |
4253 |
3658 |
04 INT C2, C8 |
3198 |
3198 |
3283 |
– |
04 INT C3 |
2605 |
2605 |
2690 |
– |
22 INT C4 |
2347 |
2347 |
2942 |
– |
22 INT C7 |
3247 |
3247 |
3842 |
– |
22 INT C9 |
2347 |
2347 |
2960 |
– |
Observaciones |
(1) RWY 04D solo utilizable por aeronaves militares y que realicen el viraje dentro de 2.5 DME TJZ o antes de R-143 VTZ para el aterrizaje. |
|||
LUCESILUMINACIÓN DE APROXIMACIÓN Y DE PISTA
Pista |
04 |
|
Aproximación |
Precisión CAT I 900 m LIH (1). Luces de identificación de umbral. |
|
PAPI (MEHT) |
3° (17.97 m / 59 ft). |
|
Umbral |
Verdes. |
|
Zona de toma de contacto |
No. |
|
Eje pista |
3658 m: 2758 m blancas + 600 m rojas y blancas + 300 m rojas. LIH (1). |
|
Borde de pista |
3658 m: 3058 m blancas + 600 m amarillas. LIH (1). |
|
Extremo de pista |
Rojas. |
|
Zona de parada |
Rojas. |
|
Observaciones |
(1) Intensidad de luces regulable. |
Pista |
04D |
|
Aproximación |
Sencillo 420 m. Luces de identificación de umbral. |
|
PAPI (MEHT) |
3° (13.91 m / 46 ft). |
|
Umbral |
Verdes. |
|
Zona de toma de contacto |
No. |
|
Eje pista |
2752 m: 1852 m blancas + 600 m rojas y blancas + 300 m rojas. LIH (1). |
|
Borde de pista |
2752 m: 2152 m blancas + 600 m amarillas. LIH (1). |
|
Extremo de pista |
Rojas. |
|
Zona de parada |
Rojas. |
|
Observaciones |
(1) Intensidad de luces regulable. |
Pista |
22 |
|
Aproximación |
Precisión CAT I 900 m LIH (1). Luces de identificación de umbral. |
|
PAPI (MEHT) |
3° (16.25 m / 53 ft). |
|
Umbral |
Verdes con barra de ala. |
|
Zona de toma de contacto |
No. |
|
Eje pista |
3658 m: 2758 m blancas + 600 m rojas y blancas + 300 m rojas. LIH (1). |
|
Borde de pista |
3658 m: 3058 m blancas + 600 m amarillas. LIH (1). |
|
Extremo de pista |
Rojas. |
|
Zona de parada |
Rojas. |
|
Observaciones |
(1) Intensidad de luces regulable. |
OTROS SISTEMAS DE ILUMINACIÓN Y FUENTE SECUNDARIA DE ENERGÍA ELÉCTRICAOTRA ILUMINACIÓN, FUENTE SECUNDARIA DE ENERGÍA
ABN/IBN |
402921N 0032608W. Ver AD 2-LETO ADC. |
|
WDI/LDI |
1 cerca THR 04, 1 cerca THR 22, 1 cerca TWY C8. |
|
Iluminación de TWY |
Borde. |
|
Iluminación de plataforma |
PE 1, PE 7 y PE 8: 2 postes proyectores. |
|
Fuente secundaria de energía |
Grupos electrógenos que proporcionan a todos los sistemas de iluminación un tiempo de conmutación (luz) máximo de 15 segundos. |
|
Observaciones |
Ninguna. |
ÁREA DE ATERRIZAJE DE HELICÓPTEROSZONA DE ATERRIZAJE PARA HELICÓPTEROS
Situación |
AI NE del ARP: 40º30’02.550’’N 003º27’02.600’’W (1)(2). |
|
Elevación |
610 m (2011.29 ft). |
|
Dimensiones, superficie, carga admisible, señalización |
- Plataforma principal: 24.5 m x 24.5 m, base hormigón. |
|
Orientación |
No. |
|
Distancias declaradas |
No. |
|
Iluminación |
Balizamiento de borde y dos torretas de luces. |
|
Observaciones |
(1) Ver AD 2-LETO ADC. |
ESPACIO AÉREO DE LOS SERVICIOS DE TRÁNSITO AÉREOESPACIO AÉREO ATS
Denominación |
CTR MADRID. |
|
Límites laterales |
403301.53N 0034658.39W; arco centrado en DVOR/DME BRA (402808.9N 0033327.1W), de radio 11.4 NM; |
|
Límites verticales |
SFC-1000 ft AGL. |
|
Clase de espacio aéreo |
D (1). |
|
Unidad responsable |
MADRID APP. |
|
Idioma |
ES/EN. |
|
Altitud de transición |
3962 m / 13000 ft. |
|
Horas de aplicabilidad |
- |
|
Observaciones |
(1) Sólo se permiten vuelos visuales a aeronaves militares españolas con origen o destino instalaciones del Ministerio de Defensa. |
Denominación |
ATZ MADRID/TORREJÓN. |
|
Límites laterales |
Círculo de 8 km de radio centrado en 402956N 0032644W (2). |
|
Límites verticales |
SFC-3000 ft AGL (3). |
|
Clase de espacio aéreo |
D. |
|
Unidad responsable |
TORREJÓN TWR. |
|
Idioma |
ES/EN. |
|
Altitud de transición |
- |
|
Horas de aplicabilidad |
- |
|
Observaciones |
(2) O la visibilidad horizontal, lo que resulte inferior. |
INSTALACIONES DE COMUNICACIÓN DE LOS SERVICIOS DE TRÁNSITO AÉREOINSTALACIONES DE COMUNICACIÓN ATS
Servicio |
Distintivo llamada |
FREQ |
HR |
Observaciones |
|---|---|---|---|---|
APP |
Madrid APP |
124.230 C |
H24 |
APP/L, DEP W |
127.100 MHz |
H24 |
|||
127.505 C |
H24 |
|||
131.175 MHz |
H24 |
DEP E |
||
376.250 MHz |
H24 |
MIL |
||
APP |
Torrejón APP |
119.950 MHz |
H24 |
MIL |
258.925 MHz |
H24 |
MIL |
||
254.975 MHz |
H24 |
MIL |
||
TWR |
Torrejón TWR |
118.300 MHz |
H24 |
GMC |
121.500 MHz |
H24 |
EMERG |
||
122.100 MHz |
H24 |
MIL |
||
136.275 MHz |
H24 |
BACK-UP |
||
139.300 MHz |
H24 |
MIL |
||
243.000 MHz |
H24 |
EMERG |
||
257.800 MHz |
H24 |
MIL |
||
339.600 MHz |
H24 |
MIL |
||
396.900 MHz |
H24 |
GMC MIL |
||
GCA |
Torrejón GCA |
118.900 MHz |
H24 |
MIL. HR MAINT PAR/ASR: MON 1530-1900 LT |
123.300 MHz |
H24 |
MIL |
||
125.300 MHz |
H24 |
MIL |
||
343.875 MHz |
H24 |
MIL |
||
356.150 MHz |
H24 |
MIL |
||
374.525 MHz |
H24 |
MIL |
RADIOAYUDAS PARA LA NAVEGACIÓN Y EL ATERRIZAJE
Instalación (VAR) |
ID |
FREQ |
HR |
Coordenadas |
ELEV DME |
Observaciones |
|---|---|---|---|---|---|---|
DVOR (1º W) |
VTZ |
115.100 MHz |
H24 |
402832.2N 0032819.3W |
- |
HR MAINT: MON 1530-1830 LT. |
DME |
VTZ |
CH 98X |
H24 |
402832.2N 0032819.3W |
660 m |
HR MAINT: MON 1530-1830 LT. |
LOC 22 (1º W) ILS CAT I |
ITJA |
109.500 MHz |
H24 |
402843.1N 0032805.8W |
- |
224º MAG / 935 m FM THR 04; |
GP 22 |
332.600 MHz |
H24 |
403024.3N 0032607.1W |
- |
3º; RDH 16.8 m; a 404 m FM HR 22 & 110 m FM RCL a la derecha en el sentido de APCH. |
|
ILS/DME |
ITJA |
CH 32X |
H24 |
403024.3N 0032607.1W |
622 m |
REF DME THR 22. |
TACAN (1º W) |
TJZ |
CH 72X |
H24 |
402956.0N 0032643.8W |
600 m |
R-090/R-170: posible pérdida de señal BTN 20 NM & 25 NM BLW 6000 ft AMSL. |
REGLAMENTO LOCAL DEL AERÓDROMOREGLAMENTACIÓN LOCAL
PROCEDIMIENTOS ATC
MÍNIMAS REDUCIDAS DE SEPARACIÓN EN LA MISMA PISTA
Aunque la pista se encuentre temporalmente ocupada por una aeronave aterrizando o despegando, puede concederse la autorización para aterrizar a la aeronave subsiguiente siempre que:
-
Exista una distancia entre aeronaves como mínimo de 2000 m desde el THR, y
-
El controlador del aeródromo tenga seguridad razonable de que, cuando la aeronave así autorizada cruce el umbral de la pista, existirá separación apropiada respecto de la precedente.
Este procedimiento podrá emplearse sin perjuicio de los requisitos que exige el vigente Reglamento de la Circulación Aérea respecto del uso de frases condicionales para movimientos que afecten a la pista o pistas en actividad.
Tales mínimas sólo se aplicarán entre la salida y la puesta del sol y bajo las condiciones siguientes:
-
Las mínimas de separación por estela turbulenta deberán mantenerse.
-
Mientras prevalezcan Condiciones de Vuelo Visual (VMC) en el aeródromo.
-
Cuando la eficacia de frenado no esté adversamente afectada por la existencia de residuos de precipitación en la pista (nieve fundente, agua, etc.).
-
Cuando las aeronaves involucradas operen sin anomalías.
Cuando de acuerdo a este procedimiento se expida el permiso para aterrizar se usará la siguiente fraseología:"... (Indicativo) DETRÁS DEL (tipo de aeronave) ATERRIZANDO / DESPEGANDO, AUTORIZADO PARA ATERRIZAR PISTA (número)".
PROCEDIMIENTOS DE FALLO DE COMUNICACIONES AEROTERRESTRES
FALLO DE COMUNICACIONES EN EL AIRE
Si una aeronave experimenta un fallo de comunicaciones deberá responder inmediatamente en la clave SSR 7600.
Vuelo VFR en condiciones VMC
- Las aeronaves a reacción procederán a través de uno de los dos corredores visuales publicados, sobrevolando la plataforma a 500 ft AGL y alabeando con rumbo 219º. Al llegar a la altura de la TWR comprobarán la pista en servicio. En el caso de que la pista en servicio sea la 22 romperán a la izquierda para incorporarse al tramo de viento en cola, y si la pista en servicio es la 04 invertirán el rumbo realizando una gota de agua para incorporarse al tramo de viento en cola, esperando señales luminosas de TWR.
- Las aeronaves convencionales que procedan por el Pasillo Visual Norte, en Daganzo descenderán a 500 ft AGL, procediendo “ABEAM” viento en cola, alabeando, en dirección hacia la TWR. Una vez comprobada la pista en servicio, esperarán las señales luminosas de la TWR. En el caso que procedan por el Pasillo Visual Sur, en la Meseta de San Juan descenderán a 500 ft AGL, para proceder a sobrevolar la plataforma alabeando con rumbo 219º. Al llegar a la altura de la TWR comprobarán la pista en servicio, si la pista en servicio es la 22, romperán a la izquierda para incorporarse al tramo de viento en cola, y si está la RWY 04 en servicio invertirán el rumbo realizando una gota de agua para incorporarse al tramo de viento en cola, esperando señales luminosas de TWR.
Nota: En ningún caso se sobrevolará la pista o la prolongación de su eje.
Vuelo VFR (cambio de condiciones meteorológicas de VMC a IMC)
Cuando las condiciones meteorológicas sufrieran un deterioro progresivo tal que no permitieran mantener contacto ininterrumpido con el terreno, las aeronaves procederán al último nivel autorizado del que se haya acusado recibo o a la altitud mínima de seguridad, lo que resulte más alto, manteniendo dicho nivel hasta uno de los puntos de entrada (STAR's), para llegar a DUKKE (IAF). Sobre este punto comenzará el descenso, abandonando la espera a 6000 ft para efectuar una aproximación IFR publicada a la RWY 22. En el caso de estar la RWY 04 en servicio, se realizará de igual forma y, con el campo a la vista, se completará con "circuito" a la RWY 04.
Vuelo IFR
- Cuando el fallo ocurre durante el procedimiento STAR antes del IAF:
Proceder al IAF designado (DUKKE) para la STAR autorizada (según FPL), manteniendo el último nivel o altitud autorizada a la que se haya acusado recibo y entrar en espera. Iniciar el descenso tras completar una espera (abandonando la espera a 6000 ft), o a la EAT cuando se haya recibido, lo que sea más tarde, para efectuar una aproximación IFR publicada a la RWY en servicio para llegada y aterrizar antes de los siguientes 30 minutos.
- Cuando el fallo ocurre en vector radar antes del IAF:
Proceder de la manera más directa a interceptar la STAR hasta el IAF, siguiendo el procedimiento de fallo de comunicaciones durante el procedimiento STAR.
- Cuando el fallo ocurre en vector radar después del IAF:
Mantener la última altitud autorizada de la que se ha acusado recibo, proceder a interceptar el curso final de aproximación para completar ésta y aterrizar. Si no es posible, efectuar el procedimiento de aproximación frustrada con fallo de comunicaciones.
- Cuando el fallo ocurre durante la aproximación frustrada: No iniciar la aproximación frustrada antes del MAPT. Interceptar el procedimiento de aproximación frustrada según carta de aproximación IAC correspondiente. Completar al menos una espera en el fijo de espera, efectuar una nueva aproximación y aterrizar.
- Cuando el fallo ocurre durante la SID:
Continuar la SID hasta el punto de salida del TMA, subiendo al último nivel autorizado del que se haya acusado recibo o la altitud mínima de seguridad, lo que sea más alto; mantener este/a durante 7 minutos, para continuar ascenso respetando en cualquier caso los niveles máximos especificados en las cartas de salida, continuando el vuelo de acuerdo al FPL presentado. En el caso de que la aeronave se encuentre dentro del Espacio Aéreo Delegado a Torrejón, si el Comandante al mando opta por regresar al aeródromo de origen, aplicará el procedimiento adecuado de los anteriormente descritos
- Cuando el fallo ocurre durante una salida con vector radar:
Dirigirse de la manera más directa a interceptar el último procedimiento SID recibido del ATC y continuar con el procedimiento de fallo de comunicaciones durante la SID. Si no se hubiera recibido una autorización SID, proceder a interceptar la SID apropiada hasta el punto de salida del TMA y de acuerdo al tipo de navegación expresados en el FPL actualizado.
FALLO DE COMUNICACIONES EN TIERRA
En el caso de que una aeronave o vehículo operando en el área de maniobras experimente un fallo en las comunicaciones procederá como sigue:
-
Si la aeronave va a salir: continuará por la ruta asignada hasta detenerse en un punto de espera intermedio o el límite del permiso extremando las precauciones para evitar desvíos de la misma. Una vez allí, mantendrá la posición y esperará la llegada de un vehículo “SÍGAME” que le conducirá al puesto de estacionamiento.
-
Si se trata de un vehículo: permanecerá en su posición y esperará la llegada de un vehículo “SÍGAME” que lo asistirá adecuadamente.
VUELO VFR EN CONDICIONES VMC (COMPROBAR RWY EN SERVICIO Y ESPERAR SEÑALES LUMINOSAS) |
||
|---|---|---|
RWY 22 |
RWY 04 |
|
AERONAVES A REACCIÓN: |
Rotura a la izquierda e incorporarse a viento en cola |
Invertir rumbo (gota de agua). Incorporarse a viento en cola |
AERONAVES CONVENCIONALES: |
Incorporarse a viento en cola y alabeando |
Incorporarse a viento en cola y alabeando |
AERONAVES CONVENCIONALES: |
Rotura a la izquierda e incorporarse a viento en cola |
Invertir rumbo (gota de agua). Incorporarse a viento en cola |
VUELO VFR EN CONDICIONES IMC |
||
ACCIONES |
RWY 22: DUKKE 6000 ft y realizar IAC |
RWY 04: DUKKE 6000 ft y realizar IAC y posterior circuito |
VUELO IFR |
|
|---|---|
MOMENTO FALLO |
ACCIONES |
STAR ANTES IAF |
Proceder al IAF (DUKKE), mantener último nivel autorizado y entrar en espera. |
VECTOR RADAR ANTES IAF |
Igual que fallo STAR antes del IAF. |
VECTOR RADAR DESPUÉS IAF |
Mantener altitud autorizada. |
APROXIMACIÓN FRUSTRADA |
No iniciar frustrada antes MAPT. |
DURANTE SID |
Continuar SID hasta punto de salida del TMA. |
SALIDA CON VECTOR RADAR |
Dirigirse directamente e interceptar procedimiento SID recibido por ATC. |
PROCEDIMIENTOS DE ATENUACIÓN DEL RUIDODE RUIDOS
No.
PROCEDIMIENTOS DE VUELO
AJUSTES DE VELOCIDAD VERTICAL EN MADRID TMA
Las aeronaves en evolución ajustarán su velocidad vertical cuando se aproximen a una altitud o nivel de vuelo asignado. En esas circunstancias, la velocidad vertical se reducirá a 1500 ft por minuto al aproximarse a una distancia vertical de 1000 ft por encima o por debajo de la altitud o nivel de vuelo asignado
Todas las aeronaves que vuelen bajo las reglas del RCAO despegando de la RWY 22 o en circuito visual sur, no rebasarán 2.5 DME TJZ o R-143 VTZ al suroeste del campo. En caso de no ser posible, notificarán esta circunstancia a LETO TWR-APP/GCA antes de despegar o antes de entrar en el circuito visual.
Precaución, tráfico próximo en aproximación o salida del aeropuerto de Adolfo Suárez Madrid-Barajas.
LÍMITE DE VELOCIDAD EN PASILLOS VFR
La velocidad máxima en pasillos VFR convencionales está limitada a 220 Kt. La velocidad máxima en corredores VFR reactores está limitada a 350 Kt, salvo autorización de la Agencia de Control.
CIRCUITO MILITAR DE TRÁNSITO DE AD
AERONAVES CONVENCIONALES

(1) Aeronaves saliendo de RWY 04/22 con destino el pasillo visual Norte, ascenderán para alcanzar 3900 ft de altitud si no existe instrucción en contra por parte de TWR. Precaución con posibles aeronaves realizando esperas a 3400 ft al Norte de Daganzo.
(2) Aeronaves procedentes del pasillo visual Norte, en descenso para alcanzar la altitud de tráfico.
(3) Aeronaves saliendo de RWY 04/22 con destino el pasillo visual Sur, dejarán siempre la Meseta de San Juan a la izquierda.
(4) Espera al Norte de Daganzo, con virajes a la izquierda a 3400 ft, sin llegar a sobrevolar el pueblo de Daganzo.
CIRCUITO MILITAR DE TRÁNSITO DE AD
REACTORES

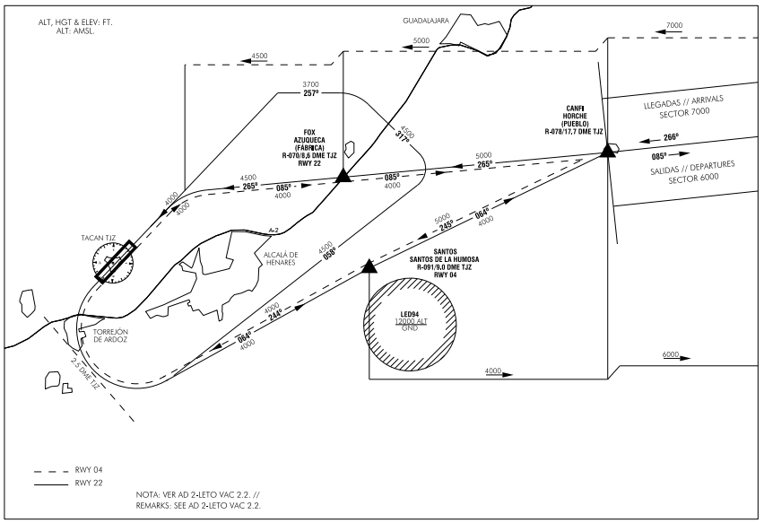
DETALLES DE RUTAS DE APROXIMACIÓN VISUAL

INFORMACIÓN SUPLEMENTARIA
SISTEMAS DE FRENADO
Nomenclatura |
LETO-01-R-U |
|
Tipo |
BARRERA DE RED UNIDIRECCIONAL. |
|
Localización |
RWY 22 THR +3758 m / 12329 ft. |
|
Estado de disponibilidad |
Permanentemente disponible, a requerimiento del piloto. |
Nomenclatura |
LETO-02-C-B |
|
Tipo |
BARRERA DE CABLE RETRÁCTIL BIDIRECCIONAL. |
|
Localización |
RWY 04 THR +550 m / 1804 ft. |
|
Estado de disponibilidad |
Permanentemente disponible, a requerimiento del piloto. |
Nomenclatura |
LETO-03-C-B |
|
Tipo |
BARRERA DE CABLE RETRÁCTIL BIDIRECCIONAL. |
|
Localización |
RWY 04 THR +1829 m / 6001 ft. |
|
Estado de disponibilidad |
Permanentemente disponible, a requerimiento del piloto. |
Nomenclatura |
LETO-04-C-B |
|
Tipo |
BARRERA DE CABLE RETRÁCTIL BIDIRECCIONAL. |
|
Localización |
RWY 04 THR +3098 m / 10164 ft. |
|
Estado de disponibilidad |
Permanentemente disponible, a requerimiento del piloto. |
Nomenclatura |
LETO-05-R-U |
|
Tipo |
BARRERA DE RED UNIDIRECCIONAL. |
|
Localización |
RWY 04 THR +3698 m / 12133 ft. |
|
Estado de disponibilidad |
Permanentemente disponible, a requerimiento del piloto. |
MÍNIMOS DE APROXIMACIÓN INSTRUMENTAL RADAR (USO EXCLUSIVO MILITAR)
RWY |
GP/TCH/RPI |
CAT |
DH/MDA-VIS |
HAT/HAA |
CEIL-VIS |
|
|---|---|---|---|---|---|---|
PAR (3) |
22 |
3º / 49 / 1033 |
A B C D E |
2226 - 800 m |
200 |
200 - 800 m |
SRE |
22 |
A B |
2680 - 800 m (1) |
682 |
700 - 800 m (1) |
|
C |
2680 - 2000 m |
682 |
700 - 2000 m (1) |
|||
D HPMA |
2680 - 2400 m |
682 |
700 - 2400 m (1) |
|||
SRE |
04 |
A B |
2330 - 800 m (1) |
363 |
400 - 800 m (1) |
|
C |
2330 - 1200 m (2) |
363 |
400 - 1200 m (2) |
|||
D HPMA |
2330 - 1200 m |
363 |
400 - 1200 m (1) |
|||
CIR |
A |
2580 - 1600 m |
554 |
600 - 1600 m |
||
B |
2900 - 2000 m |
874 |
900 - 2000 m |
|||
C |
3060 - 4800 m |
1034 |
1100 - 4800 m |
|||
D |
3140 - 4800 m |
1114 |
1200 - 4800 m |
|||
HPMA |
2900 - 4400 m |
874 |
900 - 4400 m |
Observaciones:
(1) Cuando ALS U/S incrementar VIS en 800 m.
(2) Cuando ALS U/S incrementar VIS en 400 m.
(3) Para los casos de aproximaciones PAR, las instrucciones de frustrada serán: “ascender en rumbo de pista a 2600 ft, virar a la izquierda dentro de 2.5 DME TJZ o coordenadas 0032643.8W a rumbo 045º, interceptar y seguir el R-075 TJZ directo a DUKKE en ascenso a 6000 ft”.
ZONAS DE CONCENTRACIÓN DE AVES EN EL ENTORNO DE LA BASE AÉREA DE TORREJÓN

ZONAS DE CONCENTRACIÓN DE AVES
Zona 1: concentración de estorninos y avefrías.
Zona 2: concentración de palomas torcaces y bravías.
ZONAS DE ALIMENTACIÓN E INGESTA DE AGUA
Zona I: gramíneas y cultivos de cereales.
Zona II: invertebrados, anfibios, peces y agua.
ZONAS DE MOVIMIENTOS DE AVES
Movimiento A: desplazamiento de buitres y otras rapaces.
Movimiento B: desplazamiento de palomas.
Movimiento C: desplazamiento de estorninos y avefrías (meses de invierno).
Movimiento D: desplazamiento de gaviotas sombrías (meses de invierno).
Movimiento E: desplazamiento de cigüeñas blancas.

CARTAS AERONÁUTICAS RELATIVAS A UN AERÓDROMOCARTAS RELATIVAS AL AERÓDROMO
El listado de cartas relativas al aeródromo puede encontrarse en el siguiente enlace:
PENETRACIÓN DE LA SUPERFICIE DEL TRAMO VISUAL (VSS)
No aplica.